房屋特色 | ♛一零四法拍網(創立40週年)業界最大/專業團隊/全省服務/值得託付~
♠︎專業代標『吳先生』全程為您服務♠︎代標專線☎0913303663點入+line
💥💥💥刊登內容以公告機關為準請投標人注意🔥🔥🔥
法院筆錄:●點交情形→有點交●
1‧第三人邱Ο益為菱暘金屬之債權人,而菱暘金屬將本件不動產信託予債務人。
2‧而第三人在場稱已被斷水斷電,廠房屬於無人使用之狀態。
3‧第三人稱建物現場動產、一樓工業用電梯兩座及地下室發電機組均已設定抵押權予第三人,並且為防止他人移動屋內動產,第三人持有鑰匙以便看管大門。
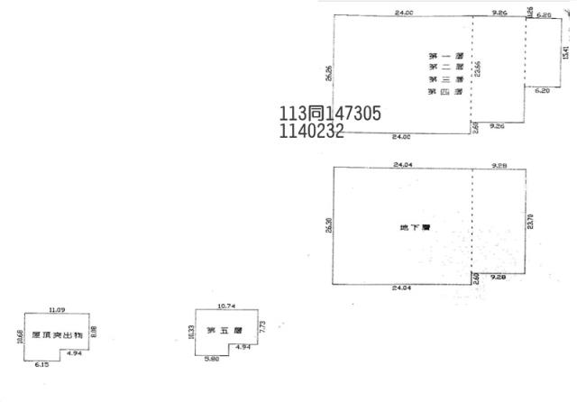
4‧本件執行標的建物765建號係未辦所有權登記之增建物,拍定人就此部分增建物無法逕持本院核發之權利移轉證書辦理所有權登記,且應負被拆除之風險。本件以建物之現況進行拍賣,應買人應自行前往查看建物之狀況,又當事人及拍定人均不得以面積不符,請求增減價金,請應買人自行注意。
5‧本件169地號土地依不動產登記謄本所載,其使用分區為工業區,使用地類別為丁種建築用地,請應買人自行注意,拍定後不得以該土地有任何使用上之限制而聲請撤銷拍定或減少價金。
6‧本件建物部分拍定後依現況點交。另廠房內之動產非在本件拍賣標的之範圍,拍定後應返還予動產所有權人,如無人接受返還時,應將動產暫付拍定人保管,以為後續之遺留物處理程序,請應買人自行注意。
7‧本件拍賣標的物依強制執行法第69條之規定,拍賣物買受人就物之瑕疵無擔保請求權,請應買人或投標人自行查明注意。另有無其他足以影響交易之特殊情事,請應買人或投標人於「應買前」或「投標前」應逕向自行鄰里機關查訪探詢,於綜合考量相關風險後再行投標或應買。《拍賣抵押物》
[他項權利:拍後塗銷]
[謄本]:總坪數1462.70坪[主建坪1430.76坪,附屬坪31.94坪],另增建坪335.10坪(建號:765)[RC造/廠房,防空避難室,倉庫,停車空間,水箱,梯間,機械房]
⚖️拍賣機關公告
📣司法院法拍屋公告📣國有財產署標售不動產資訊📣台灣金服含未辦繼承法拍物件
📣法拍屋拍定價公告📣法務部行政執行署法拍物件📣產權清楚☆強制執行法【77條”81條】
🔎法拍一點不燒腦~~眉角全都在這邊~~懶人包裡報您知~~
🤑🤑買法拍指定一零四🤝手把手當您好幫手📣【可免費試聽喔~】
💎法拍入門課程💎最強師資陣容💎豐富閱歷傳授💎專業團隊開講
⏳法拍屋代標流程~~
1.銀行代墊尾款:(最高可貸八成)2.現場合理價格評估
3.得標協助辦理過戶4.點交全程不用陪同
5.和諧交付等您入住6.未得標不收取費用
☛法拍代標找專業~☛投標必中下決心~☛過了這村沒那店~☛別讓資金睡著了
❤誠摯讓您感受最優質的代標全程服務
自備2成輕鬆成家~特約銀行核撥快速~只有買方安心選購~彈性出價理財首選~
❦免費諮詢可+line❦望您來電問透透❦消除疑慮再委託❦收費契約最透明
❦❦❦❦❦❦❦❦❦❦❦❦❦❦❦❦❦❦❦❦❦❦❦❦❦❦❦❦❦❦❦❦❦❦❦❦
雙北助理專線☎02-22650614桃園助理專線☎03-3293994全省☎0913303663
🏘️經紀業:財欣不動產管理顧問有限公司統一編號:22857204
✍經紀人:(97)年北市經證字001562號
💼營業員:(98)登字第133601號
📣📣104法拍網/透明房訊/法拍屋,土地全省最新拍賣資訊
📣台北法拍屋快搜📣新北法拍屋快搜📣桃園法拍屋快搜📣台中法拍屋快搜
♠北區熱門法拍屋♠北區法拍屋精選♠樂屋網
❦❦❦❦❦❦❦❦❦❦❦❦❦❦❦❦❦❦❦❦❦❦❦❦❦❦❦❦❦❦❦❦❦❦❦❦
生活e點通~
📣財政部新青安成家📣全國地政電子謄本系統📣地籍圖便民服務📣房地合一專區
📣台北捷運路線圖📣新北捷運路線圖📣桃園捷運路線圖📣台中捷運路線圖 |
---|